Воспользуйтесь ОнлайнДиагностикой для профессионалов
Закажите ОнлайнКонсультацию
Система AdBlue / Blue Tec
В европейских странах контроль экологических параметров автомобилей является обязательным, а несоответствие нормам подлежит штрафу и платному освидетельствованию. И хотя сейчас в Украине отсутствует жесткий экоконтроль, рано или поздно он будет введен, ведь это является одним из требований для вступления страны в ЕС.
Для обеспечения выполнения нормативов по выбросам применяется технология SCR Selective Catalytic Reduction — избирательная каталитическая нейтрализация , которая основывается на очистке отработавших газов за счет впрыска них раствора AdBlue, перед прохождением катализатора. Эта добавка вызывает распад окислов азота на газообразный азот и водяной пар
Конечно, система adBlue не влияет на рабочие характеристики автомобиля, будь она целиком работоспособна, или же удалена следует помнить, что в случае поломки одного из компонентов с-мы (например подогрева мочевины) блок управления может заблокировать запуск автомобиля через определенный пробег, предупредив об этом заранее , но если Вы собрались в поездку по Европе, то вредные выбросы просто обязаны быть в установленных законом рамках.
К сожалению, даже на таком благом деле, как экологичность транспорта стараются заработать: производитель выпускает компоненты системы одноразовыми, а их цена многократно завышена. Основной материал компонентов adBlue — это пластик, и пока что нет возможности производить их капитальный ремонт в случае поломки, но мы можем продиагностировать систему и восстановить её работоспособность заменив запчасти. Также ремонту поддаются поверхностные повреждения, например негерметичности и крепежи.
Коллектив СТО Ковш выступает за экологичность транспорта, но если система впрыска мочевины на Вашей машине в запущенном состоянии, и при этом Вы не выезжаете за пределы страны, то можем выполнить удаление системы adBlue программно отключаем её, оставляя на месте штатный катализатор и сажевый фильтр . Однако каждый автовладелец должен осознавать: в его руках находится средство экологической опасности.
СТО «КОВШ». Управляй надёжным!
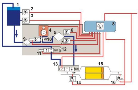
Очистка отработавших газов выполняется простой системой, состоящей из небольшого числа компонентов. Раствор AdBlue в распыленном виде впрыскивается в отработавшие газы перед их поступлением в каталитический нейтрализатор. Управление тонкой регулировкой впрыска осуществляет EMS Система управления двигателем – Engine Management System , обеспечивающая оптимальное сокращение выбросов при любых режимах работы.
Под воздействием высокой температуры раствор AdBlue распадается на аммиак и углекислоту. Аммиак и является главным компонентом процесса, протекающего в каталитическом нейтрализаторе. Химическая реакция протекает при температурах выше 200 ℃.

- Бак AdBlue
- Датчик уровня в баке AdBlue
- Датчик температуры в баке AdBlue
- Насос подачи раствора AdBlue
- Фильтр раствора AdBlue
- Датчик давления раствора AdBlue
- Датчик температуры раствора AdBlue
- Блок управления MID233 системой дозировки AdBlue
- Фильтр
- Гидрораспределитель
- Электрический клапан регулировки охлаждения
- Обратный клапан
- Блок дозировки
- Датчик температуры отработавших газов
- Каталитический нейтрализатор
- Датчик окислов азота NOx (используется для бортовой диагностики)
Управление всей системой осуществляет блок управления двигателем, который обменивается данными через отдельный блок управления MID233 с системой дозировки AdBlue

Уважаемый посетитель! Мы физически не можем отвечать на каждый комментарий..
Для того, чтобы Вы могли самостоятельно (или с помощью ближайшего автосервиса) устранить неисправности дизеля, мы разработали ОнлайнДиагностику. Это интерактивное руководство, которое содержит все известные причины неисправностей дизельных двигателей и указывает пути достижения правильной работы конкретного двигателя.
Приглашаем вас воспользоваться ОнлайнДиагностикой прямо сейчас!
Для тех кто желает получить личную консультацию Владимира Николаевича
Оставить комментарий: