Воспользуйтесь ОнлайнДиагностикой для профессионалов
Закажите ОнлайнКонсультацию
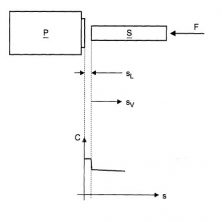
Continental AG (Siemens)

DE10012607C2_Original_document_20201226231155
Патент который объясняет принцип компенсации изменения зазора в процессе эксплуатации авто

VDO 1J0 919 183 E сгорел моторчик. Снял с колбы, кинул 12В, не крутит. Топливный модуль подключен верхним штуцером моторчика в обратку, т.е. сосет с форсунок. Зачем, кто знает? Это единственная модель, найденная мной. Все остальные стоят в магистрали подачи. Где его купить? Можно б.у., в сборе, или отдельно моторчик. Любого производителя. Только верхний штуцер должен всасывать, а не выталкивать топливо.

Добрий вечер! Подскажите, пожалуйста, может сталкивались с такой ситуацией: утром завожу авто, на холостых на холодную иногда подтраивает ДВС, иногда серый дым валит с выхлопной, но не каждый день, видимо есть зависимость от температуры воздуха.... Выезжаю из двора, при разгоне на холодную слышен жесткий металлический стук, я так пониманию что это...
Читать далее

Могу предложить вам платную телефонную консультацию с диагностом (Владимиром Николаевичем), чтобы определиться с дальнейшими действиями. Стоимость консультации - 250 гривен.
Всегда рады помочь!

В нескольких словах: Вибрация, сильная вибрация когда трогаешься, толчки при переключении, жестко (резко) глушится мотор, плоховато заводится на холодную.
Это происходит не всегда, но в 95% использовании авто. Иногда, когда поездишь по городу и машина прогреется, начинает вести...
Уважаемый посетитель! Мы физически не можем отвечать на каждый комментарий..
Для того, чтобы Вы могли самостоятельно (или с помощью ближайшего автосервиса) устранить неисправности дизеля, мы разработали ОнлайнДиагностику. Это интерактивное руководство, которое содержит все известные причины неисправностей дизельных двигателей и указывает пути достижения правильной работы конкретного двигателя.
Приглашаем вас воспользоваться ОнлайнДиагностикой прямо сейчас!
Для тех кто желает получить личную консультацию Владимира Николаевича
Оставить комментарий: